1. <dir id="mSLL8A"><q id="mSLL8A"></q></dir>

        Hello! Welcome to Jiangsu Zhongwei Measurement and Control Instrument Co., Ltd.
        0517-86918678
        Address:No. 4-4 East West Road, Jinhu County Industrial Concentration Zone, Huaian City, Jiangsu Province
        Tel:0517-86918678
        Fax:0517-86918679
        Email:zhongweick@https://zhanhaojiuye.com
        Post Encoding:211600

        Electric contact pressure type thermometer

        19電接點壓(ya)力(li)式指示溫(wen)度計(ji).jpg
        • 19電接(jie)點(dian)壓(ya)力式指(zhi)示溫(wen)度(du)計(ji).jpg
        WTZ-280 series Electric contact pressure type thermometer Suitable for the measurement of copper and…

        Description:

        Productoverview:
        WTZ-280 series Electric contact pressure type thermometer Suitable for the measurement of copper and copper alloys do not corrode liquid, gas and steam temperature, and can reach or exceed a given value when the temperature signal, the electric contact pressure type thermometer can also be used as the temperature control circuit contact switch in the system. Anti-corrosion type adopts stainless steel material, the temperature measurement for neutral corrosive gas and liquid.

        Two, work principle:
        WTZ-280 series Electric contact pressure type thermometer The principle is the relation between evaporation of the liquid in the airtight temperature measurement system based on saturated vapor pressure and temperature, and temperature measurement. When the temperature felt when the temperature changes, sealed system to produce the corresponding saturated vapor pressure, caused by the change of the curvature of the elastic element, the free end displacement produced by the displacement amplification mechanism for gear indicator.
        Three, application:
        WTZ-280 series Electric contact pressure type thermometer Used in the production field of temperature automatic control and alarm. Can the liquid, steam and gas temperature measurement in various production processes of -80 in the range of -+500 DEG C. Suitable for neutral corrosive liquids and gases.
         WTZ-288, WTQ-288 <strong><strong><strong><strong><strong><strong><strong></strong></strong></strong></strong></strong></strong></strong>
        Four, main features:
        1, a temperature probe of small, high sensitivity, linear scale, long service life etc.;
        2, with remote output resistance signal (PT100), shock resistance, corrosion resistant function and large power switch signal etc.;
        3, structure and international similar products, can replace imported;
        4, electric contact transmission.
        Five, technical parameters:
        1, time constant: 15S (steam) 30S (gas)
        2, contact capacity: 10VA (no sense) Zui high voltage: AC 220V, upper and lower limit contact.
        3, the working environment temperature: 10~+55 degrees Celsius
        4, indicating the accuracy: 1.5 (range part requirements) 
         WTZ-288, WTQ-288 <strong><strong><strong><strong><strong><strong><strong></strong></strong></strong></strong></strong></strong></strong>
        Sixth, external reference line:
        WTZ (Q) -280 series of thermometers on the lower limit of the electrical device contact capacity is 10VA, so each user to solve contact power amplification problem, for the convenience of users, we will have the power amplifier circuit and the arc extinguishing effect of the anti vibration is recommended as follows
        Note: the line power amplifier circuit in the lower contact as long as the contact time, the coil loop will enter the self-locking state, and only when the upper contact action of a lower exit loop can be self-locking, so as to realize the protection requirements of electric contact.

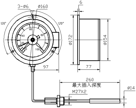
        Table seven parameters:

        Model

        function

        Dial diameterMm

        As to the

        Case Material

        WTZ-280

        WTQ-280

        Indicating type

        One hundred

        Radial (hanging)

        Bakelite

        Eighth, measuring range:

        measuring range

        WTZ-280

        WTQ-280

        -20~60 ; 0~100 ; 20~120 ; 60~160 ; 40~60; 0~50 ; 0~120 ;

        0~200 ; 0~250 ; 0~300 ; 0~400 ; 0~500 ;0~600

        The temperature package insert depth

        150~280 (long tail 12M ) 200~300 (tail length > 12M )

        Temperature package material

        Phi 8 ; Phi 10 ;  Phi 13 ; Phi 14 Brass, Phi 8 ; Phi 10 ;  Phi 13 ; Phi 14 Stainless steel pipe

        Capillary material

        Copper capillary  Plastic coated capillary  Stainless steel capillary

        Installation mode

        WTZ-280

        M27*2 Movable external thread

        The material of copper, iron, stainless steel

        WTQ-280

        M33*2 Movable external thread

        Long tail

        1M~20M > 20M Special processing

        technical parameter

        Precision grade 1.5/2.5  Contact capacity: 220V/1A (non inductive load 10VA )

        The size of the mounting hole

        4 "- 6" - Phi Phi 118mm 158mm

        Nine, Design selection and ordering information:
        1, please indicate the type, name, thread size, measurement range, precision grade.
        2, if you have special requirements, please specify when ordering. 
        Eighth, customer service service commitment:
        1, the company sold in great pressure Thermometer series The product within twelve months of quality problems, responsible for free maintenance.
        2, the warranty period if the products of our company have any quality problems, our company is responsible for free repair or replacement.
        3, the warranty period if the user use undeserved, cause damage to the product, our company is responsible for the maintenance, collect the damaged parts cost.
        4, after the warranty period of product quality problems, our company is responsible for the maintenance, collect the damaged parts cost.
        5, if the user needs to our service, our company in the province of the user service personnel arrived at the scene within 12 hours, arrived at the scene 48 hours outside users.



        Browse:
        Return To The Top

        分(fen)亯(xiang)到:

        pBeSR

        1. <dir id="mSLL8A"><q id="mSLL8A"></q></dir>